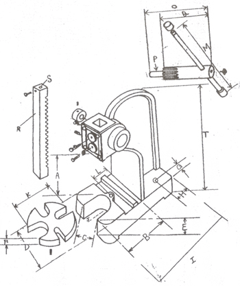
手壓沖床規格圖 | 單位 | NO.0 | NO.1 | NO.2 | NO.3 | NO.4 | NO.5 | T高 | 254 | 305 | 432 | 546 | 750 | 820 | D座寬 | 102 | 127 | 165 | 200 | 235 | 250 | I座長 | 240 | 270 | 410 | 460 | 540 | 670 | A行程 | 114 | 133 | 215 | 317 | 400 | 460 | R排齒規格 | 19x200 | 25.4x238 | 31.7x330 | 38.1x455 | 44.4x580 | 52.5x700 | S排齒孔 | 9.8 | 9.8 | 12.7 | 12.7 | 12.7 | 12.7 | E座高 | 45 | 49 | 78 | 85 | 132 | 119 | B前段 | 112 | 125 | 190 | 200 | 278 | 320 | L前座中心 | 52 | 65 | 92 | 85 | 135 | 150 | C下座中寬 | 30 | 44 | 62 | 65 | 89 | 95 | K圓盤外徑 | 90 | 115 | 170 | 170 | 250 | 250 | F圓盤厚 | 15 | 20 | 25 | 25 | 30 | 30 | M把手長 | 255 | 300 | 425 | 540 | 765 | 900 | N主軸外徑 | 30 | 34.9 | 47.6 | 63.5 | 63.5 | 76.2 | O主軸長 | 140 | 161.9 | 208 | 238 | 275 | 325 | P主軸小外徑 | 19 | 19 | 30 | 46 | 46 | 60 | Q齒輪長 | 100 | 120 | 160 | 180 | 195 | 240 | G | 26 | 29 | 17 | 30 | 49 | 67 | H | 36 | 66 | 97 | 97 | 154 | 189 | J | 48 | 50 | 72 | 100 | 120 | 140 | N.W.
(Kg) | 8.00 | 11.50 | 26.00 | 48.00 | 83.00 | 130.00 |
|
|